鋼絲繩楔形接頭,美式索節

鋼絲繩楔形接頭的特點:
1.鋼絲繩索節的有效鎖緊能力可以達到鋼絲繩破段拉力的80%
2.保證鋼絲繩的尾端塞進索節的楔子,減少鋼絲繩松脫
3.減少鋼絲繩叉扣的成本,安裝方便
4.減少由于鋼絲繩叉扣缺陷引起的鋼絲繩脫落
5.鋼絲繩楔形接頭能循環使用,環保節約成本
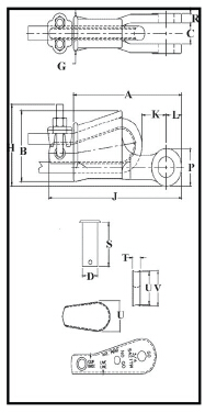
|
鋼絲繩 直徑 |
尺寸(英寸)美標
|
||||||||||||||
|
A
|
B
|
C
|
D
|
G
|
H
|
J
|
K
|
L
|
P
|
R
|
S
|
T
|
U
|
V
|
|
|
3/8
|
5.69
|
2.72
|
0.81
|
0.81
|
1.39
|
3.07
|
7.82
|
1.89
|
0.89
|
1.56
|
0.45
|
2.15
|
0.45
|
1.25
|
1.40
|
|
1/2
|
6.89
|
3.57
|
1.00
|
1.00
|
1.63
|
3.76
|
8.89
|
1.23
|
1.06
|
1095
|
0.55
|
2.56
|
0.57
|
1.76
|
1.85
|
|
5/8
|
8.32
|
4.30
|
1.26
|
1.13
|
2.15
|
4.46
|
10.73
|
1.95
|
1.23
|
2.26
|
0.54
|
3.26
|
0.59
|
2.05
|
2.15
|
|
3/4
|
9.85
|
5.13
|
1.53
|
1.35
|
2.45
|
5.25
|
12.35
|
2.43
|
1.42
|
2.65
|
0.65
|
3.65
|
0.79
|
2.35
|
2.57
|
|
7/8
|
11.23
|
5.84
|
1.74
|
1.65
|
2.65
|
6.15
|
14.35
|
2.45
|
1.65
|
3.15
|
0.75
|
4.35
|
0.88
|
2.65
|
2.95
|
|
1
|
12.85
|
6.35
|
2.00
|
2.00
|
2.95
|
6.95
|
15.20
|
3.05
|
2.00
|
3.76
|
0.88
|
4.75
|
1.05
|
2.85
|
3.25
|
|
1-1/8
|
14.35
|
6.95
|
2.25
|
2.25
|
3.35
|
7.62
|
18.35
|
2.55
|
4.26
|
1.00
|
5.54
|
1.10
|
3.25
|
3.55
|
3.55
|
|
1-1/4
|
16.35
|
8.75
|
2.65
|
2.50
|
3.55
|
9.35
|
20.45
|
2.95
|
2.35
|
4.50
|
1.05
|
6.13
|
1.19
|
4.62
|
4.95
|






